您有什么问题吗?
0769-85926516
首页
产品中心
· 双列链轮(40B/50B系列)
· 单排链轮(08B系列)
· A形同步轮
· B形同步轮
· 螺旋齿
· 伞齿
· 比列锥齿
· 直齿轮1.5模A形(压力角20°)
· 直齿轮2模A形(压力角20°)
· 直齿轮1.5模K/B形(压力角20°)
· 直齿轮2模B形(压力角20°)
制造能力
加工样品
视频展示
服务中心
· 技术支持
· 预约报修
最新资讯
· 公司动态
· 行业技术
关于晟力
· 企业概况
· 资质荣誉
联系我们
EN
首页
/
产品中心
/
单排链轮(08B系列)
单排链轮
所属分类:单排链轮(08B系列)
规格图纸下载
全国服务热线
0769-85926516
产品详情
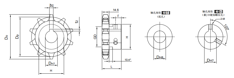
单排链轮规格
单排链轮尺寸
{/if}
咨询在线客服
咨询热线
0769-85926516
邮箱
tengdaf@163.com
微信咨询